自封式磁性吸油过滤器
【产品类别】:吸油过滤器
【产品简述】:...
【公司宗旨】:净化环境、服务客户、追求卓越、诚信经营!
13598749151,18568722950
- 上一篇:WU系列吸油过滤器
- 下一篇:ZL12-122系列自封式磁性吸油过滤器
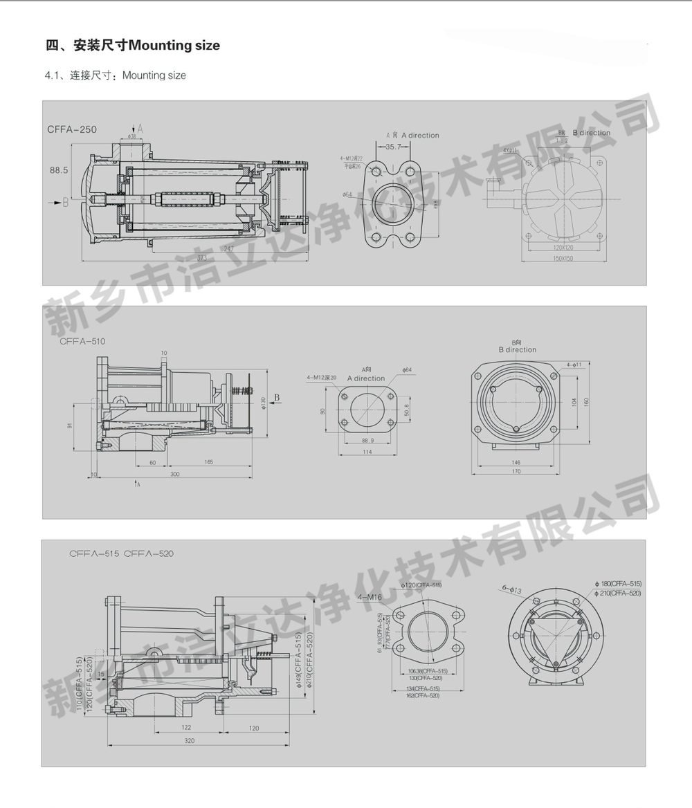
详细说明:




在线订单:
相关新闻: